Würfel
Ich war letzte Woche mit einem meiner Enkel in der Enter Technikwelt, für einen alten Elektrotechniker und Bastler ein "Trip down memory lane". Ein Besuch dort lohnt sich für alle technikaffine Personen - von der Original Zeitmaschine aus "Back to the future", über Grammophone (mit Walzen oder Schellack), der (nachgebauten) Garage in der der "Apple I" entstand und vielen (auch neueren) Apple Computern bis hin zu hands-on Modellen wird für jede Alterskategorie alles geboten.
Wir haben am Vormittag eine Führung gebucht (war sehr interessant!) und am Nachmittag den Elektronik Workshop. Dort hat mein Enkel das erste Mal einen Lötkolben in die Hand bekommen und unter fachkundiger Anleitung ein "Roböterli" (aka astabiler Multivibrator mit zwei Transistoren und zwei abwechselnd blinkenden LEDs ;-) Schritt für Schritt zusammengebaut.
Dieses Seminar hat meinen Enkel so begeistert, dass er sich - von seinem eigenen Taschengeld(!) - im Shop der Technikwelt ein grösseres Projekt, einen elektronischen Würfel (Material inklusive 3D gedrucktem Gehäuse vom Shop, Anleitung dazu von der Website), geleistet hat, den wir diese Woche dann zusammen gebaut haben. Ein Bild dazu aus der Anleitung von Enter:

Mich hat es dazu angeregt, einen solchen Würfel auf einer 40*60mm Lochrasterplatine mit einem Arduino, ein paar LEDs sowie einem minimalistischen 3D gedruckten Gehäuse zu implementieren.
Von vorne im Rohbau:

Von hinten im Rohbau:

Der fertige Würfel von der Seite (Link auf ein Video, dass den Würfel in Aktion zeigt) ...
... und von hinten:

Hier sind der Schaltplan, die zwei STL Dateien (der vordere Tail aus PLA, der hintere aus PETG) für den Druck und der Arduino Code.
Eine (elektrische) Odyssee
Vorsicht: sehr technisch!
Im Moment bin ich dabei, einen Ersatz für den etwas in die Jahre gekommenen Raspberry Pi 3 im Ferienhaus in Brail zu bauen:
Zum einen läuft dort HomeAssistant in einem docker container, zum andern laufen pi-hole (DNS, DHCP und Adblocking), weewx (Wetterstation), deCONZ (einige experimentelle ZigBee Geräte), eine WebCam und neuerdings auch noch ein Modbus Anschluss zur Ueberwachung der Heizung.
Mit all den USB Geräten sind alle Stecker des RPi belegt, die SD-Karte ist schon recht voll und bei Updates sehr langsam, die unterbrechungsfreie Stromversorgung (LiFePO4wered/Pi+) am Anschlag (weniger wegen des RPi - die vielen USB Geräte brauchen auch Strom...) und die 1GB Speicher sind auch knapp.
Daher der Wunsch, die Installation auf eine aktuellere, leistungsfähigere Basis zu heben - jetzt realisiert mit einem RPi 4 mit 4GB, den hatte ich schon früher mal zu Testzwecken gekauft - zwischenzeitlich war das Teil nicht zu vernünftigen Preisen zu bekommen und der aktellste RPi 5 ist noch zu neu (Kinderkrankheiten!) und auch ein Energiefresser.
Softwaremässig habe ich mich für die 64bit Version von Raspberry Pi OS als Basis entschieden und die unterbrechungsfreie Stromversorgung wird durch einen AmpRipper 4000 mit einem 1S4P Li-Ion Akku sichergestellt. Ueber USB ist eine SSD als Boot- und Speichermedium angebunden und der zweite USB3 Anschluss wird durch einen 7 Port USB Hub erweitert. Das Gehäuse stammt aus dem 3D Drucker und hat die Form einer Schublade mit grossen Oeffnungen für die Abwärme und einem Fetzen Fliegengitter zum Schutz der Innereien. Da die in Brail vorhandene Wetterstation sich gelegentlich immer wieder mal aufhängt und dann nur durch unterbrechen der Stromversorgung (aka Reboot des RPi) wieder gestartet werden kann, habe ich am dritten USB Port einen USB Stromschalter eingebaut, der das jetzt gezielt für dieses Gerät erlaubt (das ist der "Schwanz" auf den Bildern).


Leider ist die Integration zwischen dem ApmRipper, der als USB Stromversorgung arbeitet und dem Raspberry Pi nicht so perfekt, wie das mit der alten Hardware war, die genügend lokale Intelligenz zur Ueberwachung und Steuerung der Stromversorgung "on-board" mitbrachte: Neu wird so lange Strom geliefert, bis der Akku leer ist und dann abrupt abgeschaltet - mit der alten Lösung gab es ein entsprechende Signal auf einem GPIO Pin, mit genügend verbleibender Kapazität für einen ordnungsgemässen Shutdown. Ebenfalls wird neu direkt wieder gestartet, sobald Strom verfügbar ist - früher konnte der Neustart so lange verzögert werden, bis der Akku wieder genügend Reserven aufgebaut hatte.
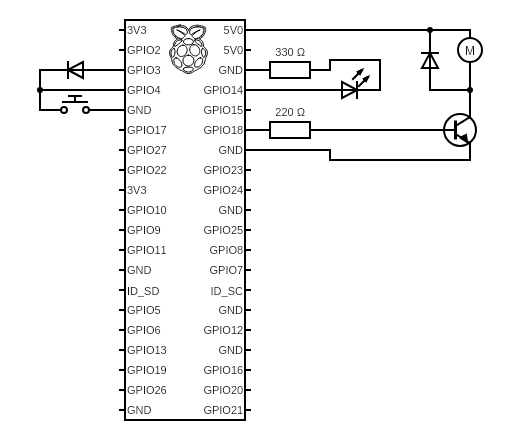
Glücklicherweise hat der AmpRipper sowohl einen i2c Anschluss, über den das Monitoring der Batterie möglich ist, als auch einen "EN"able Anschluss, der es ermöglicht, den Strom zum neuen RPi elektrisch zu steuern. Der Zustand "on" wird durch einen Pullup Widerstand auch bei nicht-beschaltetem EN Anschluss gewährt. Zum Ausschalten ("off") muss EN auf GND gezogen werden.:

... und, wenn ich schon zusätzliche Logik und Hardware benötige, wäre es auch nett, wenn ich den Strom unabhängig vom RPi über's Internet schalten könnte - das wäre das eine oder andere Mal schon sehr nützlich gewesen.
Ein Raspberry Pico W der sowohl i2c, als auch GPIO und WLAN kann, kostet auch nicht die Welt. Damit sieht das jetzt so aus:

Damit das Stromversorgungstheater nicht wieder von neuem losgeht, wird die Elektronik des Pico über zwei Dioden sichergestellt - so kann der Pico loswerkeln, sobald entweder Netz-(primär) oder Batteriestrom (sekundär) verfügbar ist. Auf dem Pico läuft ein kleiner Webserver, der den Ladezustand als JSON verfügbar macht und es auch erlaubt, den EN Anschluss zu bedienen ("on"/"off". per Software).
Das hat auch funktioniert, solange der Pico für die Programmentwicklung an meinem Notebook angeschlossen war - aber ab dem Moment, als der Strom über die Dioden kam, wurde es kurios: Bei vorhandenem Primärstrom und gestartetem Pico funktionierte es wie am Notebook, aber wenn einmal der Strom für den Pico weggenommen wurde, sah es bei verfügbarem Primärstrom so aus: RPi startet, Pico startet, RPI crasht, RPi startet, danach alles normal. Bei nicht verfügbarem Primärstrom: RPi startet, Pico startet, RPi crasht, Pico crasht, RPi startet, Pico startet, RPi crasht, Pico crasht ... alle 2-3 Sekunden, ad infinitum (oder bis der Akku komplett leer ist).
Der Grund für dieses Verhalten: Ausgänge beim Pico sind im ausgeschalteten Zustand hochohmig (d.h. der EN Pin wird durch den Pullup hochgezogen - Sekundärstrom verfügbar); Sobald der Pin des Pico als Ausgang konfiguriert wird, geht er auf "LOW" (definierter Anfangszustand), was den EN Pin auf 0V zieht und der Strom damit abschaltet. Im Fall das Primärstrom verfügbar ist, läuft der Pico weiter und setzt dann den mit EN verbundenen Ausgang auf HIGH und der RPi bekommt wieder Strom und startet regulär. Wenn kein Primärstrom verfügbar ist, bekommt auch der Pico keinen Strom mehr und schaltet ab, wodurch der Ausgang wieder hochohmig wird und damit die Sekundärseite wieder Strom bekommt und das Spiel von vorne beginnt.
Was machen? Eigentlich einfach: Mittels eines Transistors die Logikpegel für EN und im Code "on" und "off" Pegel tauschen. Damit ist der hochohmige Zustand und der definierte LOW Pegel beim booten des Pico äquivalent zu "sekundär ein" und das hin und her "flippern" findet nicht mehr statt.

ABER: Das Ganze funktioniert nur, solange der Pico mit Strom versorgt bleibt, weil im stromlosen Zustand die Sekundärseite eingeschaltet bleibt. Und weil auch ein "ausgeschalteter" RPi noch ganz anständig Strom zieht und auch der Pico seine 100mA braucht, bringt es diese Lösung für den Grenzfall, dass der Akkustrom sich dem Ende zuneigt nicht - im reinen Akkubetrieb wird der Akku bis zum bitteren Ende leer gesaugt..
Schlussendlich braucht es zur endgültigen Lösung des Dilemmas (so man den AmpRipper nicht modifizieren will) ein bistabiles Relais, dass zum Ausschalten über einen Impuls den EN Pin mit GND verbindet und diesen Zustand auch stromlos weiter hält:

Ausserdem muss man einen digitalen Eingang auf dem Pico für die Ueberprüfung des aktuellen Zustandes verwenden, sofern man nicht mit einem Doppelspulenrelais arbeiten will.
Insgesamt war dieses "häppchenweise bottom-up" "Design" jetzt nicht wirklich befriedigend - hätte es einfachere Lösungen gegeben, die ich einfach nicht gesehen habe, habe ich die ursprüngliche Aufgabenstellung unterschätzt, oder ist es das Alter...
Tefka
![]() |
![]() |
![]() |
Letzten Freitag mussten wir Tefka, eine ganz spezielle Katze, einschläfern lassen - der Nasenhöhlenkrebs, der vor drei Jahren bei ihr diagnostiziert worden war, machte ihr schliesslich das Atmen zu schwer.
Tefka wurde als eine von vier Jungen von Leila (einer Hauskatze) und Cholo (einem Maine-Coon Mischling) geboren und bekam ihren Namen - Tefka steht für TunnelEFfektKAtze - nachdem es ihr als gerade mal wenige Wochen altes Jungtier zweimal gelungen war, aus einem verschlossenen Zimmer, wo sie mit ihren Geschwistern untergebracht war, nach draussen zu entwischen.
Beim ersten Mal fanden wir sie unten beim Teich im Garten, aber ohne den Grossteil ihres Schwänzchens, beim zweiten Mal hörten die Zwillinge ihr schwaches Piepsen beim Stall auf der Nachbarwiese, wohin sie durch frisch "bschüttete" Wiese gelangt war, mit abgeätzten Schnurrhaaren.
In jungen Jahren hat sie dann ihr drittes der sprichwörtlichen neun Leben einer Katze bei einer Kollision mit einem Auto verloren und hatte seitdem einen stahlverstärkten Oberschenkelknochen.
All das hat dann wohl dazu geführt, dass Tefka eine sehr anhängliche Katze wurde: Häufig des morgens im Wäschekorb zu finden, mit klarem Anspruch auf die Badetuch bedeckten Schultern nach der Dusche, oder des Abends auf den hochgelegten Beinen um den Couchtisch, oder auch auf dem Esszimmertisch, sofern dort nicht gegessen wurde, oder auch am Fussende des Ehebetts (oder auch auf Maria's Brust), oder auch quer über meinen Armen, wenn ich am Esszimmertisch mit dem Notebook arbeitete.
Tefka war der festen Überzeugung, dass Menschen im Wesentlichen zur Bereitstellung von Futter und Öffnen von verschlossenen Türen - die mochte sie gar nicht - da sind und wurde von der ganzen Familie darin auch bestärkt.
Hin und wieder stand sie im Eingang bei der Garderobe, schaute hinauf zur Ecke des Flurs und maunzte dabei erbärmlich.
Was sie da wohl gesehen hat, was wir nicht sehen konnten?

Bye-Bye WhatsApp
Nachdem WhatsApp jetzt seine Nutzungsbedingungen überarbeitet hat, bleibt eigentlich nur der Verzicht auf diese bequeme Art der Kommunikation
Eigentlich einfach (und doch schwer)
Einfach
Schwer
Links
hier noch einige Links, die ich zum Thema zusammengetragen habe (wird nach Bedarf erweitert):
- Ein (nicht-technischer) Artikel von Digitec: "WhatsApp ist tot: Wenn deine liebste App zur Datenkrake wird und die Alternativen"
- Heise: "Wie-ich-von-Whatsapp-zu-Signal-wechselte"
- Telegram: 25 million new users joined in the last 72 hours
- Welche App welche Informationen sammelt
- Signal verfünffacht Nutzer in kürzester Zeit
- Signal Probleme
- WhatsApp verschiebt den Termin
Interessant auch, was da an "Querfeuer" kommt:
Faszinierend, wie da mit Halbwahrheiten manipuliert wird ...
- Im Titel "angeblich sicher" und "mit Geld der US Regierung"
Leute: Es ist alles nur solange sicher, bis das Gegenteil bewiesen wird! Egal was - alles ist nur "angeblich sicher".
... und, stellt Euch vor, die Protokolle, die dem Internet zugrunde liegen, wurden mit DARPA (Defense Advanced Research Project Agency, die "Entwicklungsabteilung" des amerikanischen Militärs) Geldern entwickelt! GASP! - Der eigentliche Text stammt von www.anti-spiegel.ru der Website eines Herrn Thomas Röper, Buchautor, lebend in St. Petersburg. In Wikipedia findet sich - ausser seinem Namen auf der Seite für "Röper* nichts - und eine Google Suche bringt ausser einem Bild und dem Geburtsjahr, sowie einem Verzeichnis der von ihm geschriebenen Bücher keine Treffer.
- Er selber sagt über sich auf seinem Webauftritt. "Thomas Röper, geboren 1971, hat als Experte für Osteuropa in Finanzdienstleistungsunternehmen in Osteuropa und Russland Vorstands- und Aufsichtsratspositionen bekleidet. Heute lebt er in seiner Wahlheimat St. Petersburg. Er lebt über 15 Jahre in Russland und spricht fließend Russisch. Die Schwerpunkte seiner medienkritischen Arbeit sind das (mediale) Russlandbild in Deutschland, Kritik an der Berichterstattung westlicher Medien im Allgemeinen und die Themen (Geo-)Politik und Wirtschaft."
Ein paar Zitate aus dem Text:
"Signal wurde mit Geld von OTF gegründet. Der Gründer von Signal, der sich Moxie Marlinspike nennt, was aber nicht sein echter Name ist, hat 2013 (also noch vor der Gründung von Signal) und 2014 (dem Gründungsjahr von Signal) 1,3 Millionen Dollar vom OTF, also der US-Regierung, für den Aufbau von Signal bekommen. Gleichzeitig hat er verkündet, er nehme kein Risikokapital von Investoren an, weil er Investoren Versprechen über zukünftige Gewinne machen müsse."
- Im Gegensatz zu Herrn Röper findet man über Moxie Marlinspike einen Wikipedia Eintrag, die Formulierung "was aber nicht sein echter Name ist", empfinde ich als manipulativ.
- Das Geld, was er von der OTF erhalten hat, war ein "grant", also ein Zuschuss/eine Subvention, kein (Risiko-)Kapital. Solche Zuschüsse/Sibventionen gibt es auch in anderen Bereichen, ohne dass dort dunkle Hintergedanken beschworen werden.
"Nun sehen wir auch bei Signal den durchaus berechtigten Verdacht, keinesfalls eine unabhängige und sichere Plattform zu sein. "
- Punkto Sicherheit: Signal ist - im Gegensatz zu anderen Plattformen - OpenSource d.h. es kann jedermann den Quellcode von Server und Client herunterladen, selber (oder von einer Person des Vertrauens) den Code analysieren und neu bauen lassen - das macht es doch recht schwer, Hintertüren für Dritte einzubauen ...
- Punkto Unabhängigkeit: Signal ist so konstruiert, dass, soweit das bei einem Kommunikationsinstrument überhaupt möglich ist, weder Informationen noch Metainforrmationen (Verbindungsdaten, Kommunikationsnetzwerke) ausserhalb der Endgeräte gehalten werden(*). Das bedeutet insbesondere, dass auch wenn die Infrastruktur in "Feindeshand" wäre, dort keine Informationen abgreifbar oder manipulierbar sind. Abstellen (lassen) kann man die Server - aber das gilt wohl für jede Infrastruktur.
(*) z.B. wird ein Gruppenchat beim Sender in einzelne Nachrichten an die Teilnehmer aufgebrochen und dann verschlüsselt an jeden einzelnen Empfänger geschickt. Beim Empfänger wird die Nachricht dekodiert und dort dann festgestellt, dass sie einem Gruppenchat zugeordnet ist, wodurch sie dann dort auftaucht. Die Gruppe existiert nur auf den Endgeräten - der Server hat weder Informationen über die Gruppe, noch über die dort kommunizierenden Teilnehmer.
Es ist mir verständlich, dass hier versucht wird, ein Gegengewicht zur als manipuliert wahrgenommenen "Lügenpresse des amerikanisch dominierten Westens" zu schaffen - nur, finde ich, sollte man sich dabei nicht derselben manipulativen Mechanismen bedienen, die man der anderen Seite vorwirft, sonst findet man sich schnell im Lager der Verschwörungstheoretiker wieder.
Pet Peeves
Wikipedia schreibt zu "Pet Peeves": Unter einem Pet Peeve ['pɛt piːv] (engl. etwa „Lieblings-Ärgernis“) versteht man im populären psychologischen Diskurs des englischsprachigen Raumes ein triviales Ärgernis, das ein bestimmter Mensch als besonders verdriesslich empfindet, während andere an derselben Kleinigkeit keinen oder nur geringen Anstoss nehmen würden.
Solche Pet Peeves habe ich im Verlaufe meines Lebens doch einige angesammelt und möchte an dieser Stelle den Einen oder Anderen vorstellen.
Pet Peeve: Verpackungen
Dinge zu verpacken gehört zu den kulturellen Errungenschaften der Menschheit. Ob das jetzt wie beim in diesem Jahr verstorbenen Christo künstlerisch passiert, oder viel profaner im täglichen Leben zum Schutz und zur Präsentation von Waren in den unterschiedlichsten Formen, von der Flasche oder Büchse, über die Tube bis hin zum Blister, abhängig davon, was geschützt und wovor es geschützt werden soll. Viele Dinge wären ohne Verpackung gar nicht lagerbar oder könnten nicht transportiert werden.
In den Materialwissenschaften erforscht man Eigenschaften von Materialien und prüft sie in Hinblick auf die Eignung als Verpackungsmaterial; in der Logistik ist die Kenntnis und Berücksichtigung der Verpackung wesentlich für Lagerung und Verteilung; beim Verbraucher wird aus Verpackung mehr oder weniger schnell Abfall, je nachdem ob es sich um Einwegverpackungen oder Mehrwegverpackungen handelt; schliesslich finden sich Verpackungen dann im Recycling, in der Abfallverbrennung oder in den Meeren als Mikroplastik wieder.
Eine wesentliche Eigenschaft von Verpackungen - und damit kommen wir zu meinem Pet Peeve - ist "die gezielt angebrachte, möglichst ohne grösseren Aufwand wieder lösbare Umhüllung eines Produktes".
Wenn das nur mal so wäre ...
Auf der Blisterverpackung des Aufschnitts steht "einfach zu öffnen, wieder verschliessbar" - nur: Beim Versuch, die Packung zu öffnen, zerreisst die Folie dermassen, dass an ein Wiederverschliessen auch nicht im Entferntesten gedacht werden kann.
Als Variante dazu ist die transparente Deckfolie der Bratspeckverpackung dermassen stabil, dass sie mit einem Messer aufgeschlitzt werden muss, um an den Inhalt zu gelangen.
Das Pflaster, was ich, nachdem ich mich beim Gemüse schälen in den Finger geschnitten habe, möglichst schnell auspacken will, ist so gut verpackt, dass an den Inhalt, ohne Maria's Hilfe mit einer flugs geholten Schere, gar kein Rankommen ist - mal abgsehen davon, dass auch von einigermassen steriler Verwendung keine Rede sein kann, wenn die Abdeckung der Klebeflächen ohne Berührung der Gazefläche praktisch nicht entfernt werden kann.
Die Verpackung der Kaffeebohnen ist nach dem erstmaligen Öffnen mit einem Klebstreifen wieder verschliessbar - nur ist der so bedruckt, dass für den unvoreingenommenen Betracher nicht ersichtlich ist, auf welcher Seite der Klebstreifen angehoben werden muss, damit er danach zum Verschluss verwendet werden kann und, einmal auf der falschen Seite abgelöst, klebt er danach nur noch sehr schlecht.
So frustriert keimt bei mir regelmässig der Wunsch, die Konstrukteure solcher Verpackungen zu verfluchen: mögen sie im Anblick eines vollen Kühlschrankes verhungern, wenn es ihnen nicht gelingt, alle Verpackungen einwandfrei zu öffnen; mögen sie im eigenen Blut schwimmen, wenn sie keine Verpackung konstruieren können die im Falle eines Falles einfach und ohne Hilfsmittel zu öffnen ist; möge ihr Kaffee nach Sand schmecken und alle Aromen vor ihnen weichen!
Raspberry Pi Power
Bei uns gibt es eine ganze Menge Himbeer-Computer:
- ein Raspberry 2 als Freedom Box,
- ein Raspberry 2 als Firewall vor unserer Solaranlage,
- ein Raspberry 3 als Kodi Mediacenter und Logitech Mediaserver,
- ein Raspberry 3 als pi-hole DNS und DHCP Server inklusive UPS im Ferienhaus,
- ein Raspberry 3 mit einem HiFiBerry Amp2, entsprechendem Netzteil und (alten) Lautsprechern als Squeezebox
- ein Raspberry 4 als Octoprint Server wie im letzten Blog Eintrag beschrieben
- ein Raspberry 4 zum experimentieren, im Moment mit Ubuntu 20.10 und KDesktop
Besonders bei den letzten beiden habe ich das Problem, dass dem Raspberry ein Ein- und Ausschalter fehlt - und irgendwie ist das blöd, wenn man um Mitternacht vor dem 3d Printer steht, den letzten genialen Druck entnimmt und den Printer abstellen will - und dann feststellt, dass man vergessen hat, vor dem Herunterfahren des Notebooks, auf dem man den Druckvorganng überwacht hat, den Octoprint Server ordnungsgemäss abzustellen...
Einfach abschalten sollte man die Himbeeren auch nicht - die als nicht-flüchtiger Speicher verwendeten SD Karten können das ziemlich übel nehmen und danach dann den Dienst versagen.
Auch ist es nicht einfach festzustellen, ob ein Raspberry im Moment aktiv ist (die kleine rote LED zeigt nur das Vorhandensein der Stromversorgung an, die kliene grüne LED auf der Platine leuchtet nur während des Zugriffs auf das Speichermedium).
Und zu guter letzt ist der Ventilator, der zur Kühlung des Desktop Raspberry's fast unumgänglich ist (das Teil wird ohne aktive Köhlung recht schnell heiss) doch störend laut, wenn er die ganze Zeit mit voller Geschwindigkeit läuft.
Es gibt, in Form von Hats oder Zusatzboards, Lösungen für alle drei Probleme, aber in den meisten Fällen empfinde ich die als Overkill und als zu teuer, zumal jedes der Probleme mit einfachsten Mitteln auch gelöst werden kann.
Das hat mich dazu gebracht, einen "Raspberry Pi Power Bar" zu konstruieren, ein kleines mit dem 3d Drucker druckbares Gehäuse, in dem die Elektronik der drei benötigten,einfachen Schaltungen (links der Ein-/Ausschalter, rechts die LED Betriebsanzeige und die PWM Steuerung des Lüfters)


untergebracht werden kann und der einfach auf den 40-poligen GPIO Stecker des Raspberry's aufgesteckt wird:


Für diejenigen von Euch, die das vieleicht mal nachbauen wollen: Der (englische) Artikel auf Thingiverse enthält alle Detailangaben, Links auf die benötigte Software und die Vorlagen für den 3d Druck, sowie Verweise auf die (meist auch englischen) Artikel mit weiterführender Information.
3D-Printing
Vor 2 Jahren habe ich als Geburtstagsgeschenk einen 3D Drucker (Prusa i3 MK2) von meinen Kindern geschenkt bekommen.
Die Aktivitäten dieses Druckers können ab heute on-line beobachtet werden (sofern er gerade läuft):
Die Software, die das ermöglicht, ist Octoprint auf einem Raspberry PI, die es eigentlich (und primär) dafür gedacht ist, einen 3D Drucker über's (W-)LAN zu steuern - der Webcamfeed ist dabei eher ein Nebenprodukt ;-)
OpenSource Software at its best!
Moderne IT
Diese Homepage wird mit Typesetter (https://www.typesettercms.com/) erstellt.
Was mir an diesem CMS (Content Management System) besonders gefällt ist, dass es keine Datenbank benötigt - es wird Alles direkt in Dateien hinterlegt (Flat File CMS) - und damit entfallen die ganzen mühsamen Turnübungen, die sonst für die Datensicherung und (ganz besonders) beim Upgrade notwendig werden.
Die Installation war in zehn Minuten erledigt, den ersten Inhalt zu erstellen hat deutlich mehr Zeit benötigt (und das nicht etwa wegen der Technik ;-)
Typesetter ermöglicht mir die Erstellung und die Aktualisierung unserer Website, ohne dass ich auf den üblichen Komfort wie WYSIWYG Editoren, Plugins für die verschiedensten Zwecke (wie z.B. dieses Blog, oder den Zeitstempel am unteren Seitenrand) und Themes (aber ich mag eigentlich das mitgelieferte Layout ganz gerne - KISS!) verzichten muss - sozusagen "de Foifer und's Weggli".
Moderne IT heisst eben nicht nur immer grössere und komplexere Systeme, sondern hin und wieder findet man auch gut designte und implementierte Software "im Kleinen" - und zu allem Überfluss dann auch noch Open-Source.



